УльтраСтар - Автомобильные Системы Охраны, Системы Безопасности

Проблемы с активацией доп.канала на секретке

Проблемы с активацией доп.канала на секретке

Сообщение SkyLine777 » Ср 25 янв, 2012 6:02

Хотел сделать следующее! При отправке команды активации доп.канала (например 81) подаётся питание на данный канал, который в свою очередь активирует нормально разомкнутое реле и замыкает его, таким образом подаётся или отрубается питание на бензонасос! (можно глушить машину на ходу если вдруг угонят, ну и если надо её прогреть то можно дистанционно снять с секретки и прогреть).

Но проблема в следующем, когда канал активируется по команде, то реле щёлкает несколько раз, т.е.напряжение подается как-то прерывисто замыкая и размыкая реле несколько раз, тем самым повышая риск СЖЕЧЬ бензонасос! Можно конечно поменять реле на нормально замкнутое (или если оно пятиконтактное просто перекинуть на другие клеммы), но в таком случае если вырвать блок М20 и выкинуть, на машине можно будет спокойно уехать так как в нормально состоянии реле замкнуто и питание на бензонасос подаётся. Можно ли что-то сделать?

Извините за много бУкаФ :)
SkyLine777
 
Сообщения: 14
Зарегистрирован: Ср 26 янв, 2011 7:56
Откуда: Иркутск
Система: StarLine M20, B9
Модель авто: Impreza
Год выпуска: 2006
Двигатель: EJ20
Тип КПП: АКПП
Статус: пользователь

Re: Проблемы с активацией доп.канала на секретке

Сообщение Иван Поважнюк » Ср 25 янв, 2012 8:24

Добрый день.
SkyLine777 писал(а):Можно ли что-то сделать?
Подключите второй провод управления реле на зажигание.
ps. не забудьте про установку диода в колодку.
Федеральная служба поддержки StarLine
8-800-333-80-30 Россия
8-10-8000-333-80-30 Белоруссия,
8-800-070-80-30 Казахстан
0-800-502-308 Украина
Круглосуточно. Звонок бесплатный.

Все подключения необходимо проверять, так как могут быть отличия и т.д.
Аватара пользователя
Иван Поважнюк
инженер ФСП StarLine
 
Сообщения: 20107
Зарегистрирован: Вс 15 фев, 2009 19:15
Откуда: Красноярск
Система: StarLine D94 GSM\GPS Slave
Модель авто: Suzuki Grand Vitara
Год выпуска: 2011
Двигатель: бензин
Тип КПП: AKПП
Статус: установщик

Re: Проблемы с активацией доп.канала на секретке

Сообщение SkyLine777 » Ср 25 янв, 2012 10:17

Ну второй питающий провод он и так подключен на зажигание и диод впаян как на вот этой схеме http://www.ultrastar.ru/attachment/10131/GSMwebasto.jpg . На контакт 87 подаётся питание при зажигании, а на 86 подаётся от M20 и в этот момент реле переключается несколько раз...
SkyLine777
 
Сообщения: 14
Зарегистрирован: Ср 26 янв, 2011 7:56
Откуда: Иркутск
Система: StarLine M20, B9
Модель авто: Impreza
Год выпуска: 2006
Двигатель: EJ20
Тип КПП: АКПП
Статус: пользователь

Re: Проблемы с активацией доп.канала на секретке

Сообщение Иван Поважнюк » Ср 25 янв, 2012 10:33

Если
SkyLine777 писал(а):и так подключен на зажигание
то не должно быть такого
SkyLine777 писал(а): и в этот момент реле переключается несколько раз...
:(
Проверьте навесом, подключив на контакт 87 плюс с АКБ.
Если и в этом случае у вас реле будет щелкать несколько раз. То прошу обращаться в сервис
Иркутск

ООО "Автоком"
Иркутск ул.Боткина, 4
(3952) 64-20-00, (3952) 64-26-42
autocom@yandex.ru
Федеральная служба поддержки StarLine
8-800-333-80-30 Россия
8-10-8000-333-80-30 Белоруссия,
8-800-070-80-30 Казахстан
0-800-502-308 Украина
Круглосуточно. Звонок бесплатный.

Все подключения необходимо проверять, так как могут быть отличия и т.д.
Аватара пользователя
Иван Поважнюк
инженер ФСП StarLine
 
Сообщения: 20107
Зарегистрирован: Вс 15 фев, 2009 19:15
Откуда: Красноярск
Система: StarLine D94 GSM\GPS Slave
Модель авто: Suzuki Grand Vitara
Год выпуска: 2011
Двигатель: бензин
Тип КПП: AKПП
Статус: установщик

Re: Проблемы с активацией доп.канала на секретке

Сообщение SkyLine777 » Ср 25 янв, 2012 10:59

Спасибо, попробую!
SkyLine777
 
Сообщения: 14
Зарегистрирован: Ср 26 янв, 2011 7:56
Откуда: Иркутск
Система: StarLine M20, B9
Модель авто: Impreza
Год выпуска: 2006
Двигатель: EJ20
Тип КПП: АКПП
Статус: пользователь

Re: Проблемы с активацией доп.канала на секретке

Сообщение Иван Поважнюк » Ср 25 янв, 2012 11:16

Сообщите результат.
Федеральная служба поддержки StarLine
8-800-333-80-30 Россия
8-10-8000-333-80-30 Белоруссия,
8-800-070-80-30 Казахстан
0-800-502-308 Украина
Круглосуточно. Звонок бесплатный.

Все подключения необходимо проверять, так как могут быть отличия и т.д.
Аватара пользователя
Иван Поважнюк
инженер ФСП StarLine
 
Сообщения: 20107
Зарегистрирован: Вс 15 фев, 2009 19:15
Откуда: Красноярск
Система: StarLine D94 GSM\GPS Slave
Модель авто: Suzuki Grand Vitara
Год выпуска: 2011
Двигатель: бензин
Тип КПП: AKПП
Статус: установщик

Re: Проблемы с активацией доп.канала на секретке

Сообщение SkyLine777 » Ср 25 янв, 2012 11:47

Обязательно сообщу!

И ещё такой вопрос, не сломается ли М20 если на доп.канал подать 12В? (не спрашивайте зачем мне подавать на него 12В, просто в схеме так может получиться)
SkyLine777
 
Сообщения: 14
Зарегистрирован: Ср 26 янв, 2011 7:56
Откуда: Иркутск
Система: StarLine M20, B9
Модель авто: Impreza
Год выпуска: 2006
Двигатель: EJ20
Тип КПП: АКПП
Статус: пользователь

Re: Проблемы с активацией доп.канала на секретке

Сообщение Иван Поважнюк » Ср 25 янв, 2012 12:07

Нельзя. Сгорит выход.
SkyLine777 писал(а): просто в схеме так может получиться)
В какой схеме?
Федеральная служба поддержки StarLine
8-800-333-80-30 Россия
8-10-8000-333-80-30 Белоруссия,
8-800-070-80-30 Казахстан
0-800-502-308 Украина
Круглосуточно. Звонок бесплатный.

Все подключения необходимо проверять, так как могут быть отличия и т.д.
Аватара пользователя
Иван Поважнюк
инженер ФСП StarLine
 
Сообщения: 20107
Зарегистрирован: Вс 15 фев, 2009 19:15
Откуда: Красноярск
Система: StarLine D94 GSM\GPS Slave
Модель авто: Suzuki Grand Vitara
Год выпуска: 2011
Двигатель: бензин
Тип КПП: AKПП
Статус: установщик

Re: Проблемы с активацией доп.канала на секретке

Сообщение SkyLine777 » Ср 25 янв, 2012 12:16

А ну всё, можно же диод поставить)) Да просто я представил ситуацию, например я реализую эту секретку и пока доп.канал активен питание на бензонасос через реле будет подаваться, но что будет если вдруг М20 накроется, а такое кстати бывает (симка подмерзает), а ехать надо?!... Поэтому на контакт реле к которому подключен доп. канал М20 можно сделать типа байпас, напрямую подавать питание через скрытый тумблер, если вдруг возникнет такая экстренная ситуация, ну и соответственно на допюканал М20 тоже питание пойдёт если конечно не поставить диод!
SkyLine777
 
Сообщения: 14
Зарегистрирован: Ср 26 янв, 2011 7:56
Откуда: Иркутск
Система: StarLine M20, B9
Модель авто: Impreza
Год выпуска: 2006
Двигатель: EJ20
Тип КПП: АКПП
Статус: пользователь

Re: Проблемы с активацией доп.канала на секретке

Сообщение Иван Поважнюк » Ср 25 янв, 2012 12:22

SkyLine777 писал(а):напрямую подавать питание через скрытый тумблер,
не проще через тумблер подавать МИНУС. На провод от М20.
И ни чего не сгорит. :)
Федеральная служба поддержки StarLine
8-800-333-80-30 Россия
8-10-8000-333-80-30 Белоруссия,
8-800-070-80-30 Казахстан
0-800-502-308 Украина
Круглосуточно. Звонок бесплатный.

Все подключения необходимо проверять, так как могут быть отличия и т.д.
Аватара пользователя
Иван Поважнюк
инженер ФСП StarLine
 
Сообщения: 20107
Зарегистрирован: Вс 15 фев, 2009 19:15
Откуда: Красноярск
Система: StarLine D94 GSM\GPS Slave
Модель авто: Suzuki Grand Vitara
Год выпуска: 2011
Двигатель: бензин
Тип КПП: AKПП
Статус: установщик

Re: Проблемы с активацией доп.канала на секретке

Сообщение SkyLine777 » Ср 25 янв, 2012 13:41

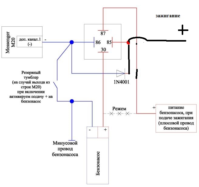
Вы имеете ввиду вот так? И вообще схема корректная как вы считаете?

Изображение
SkyLine777
 
Сообщения: 14
Зарегистрирован: Ср 26 янв, 2011 7:56
Откуда: Иркутск
Система: StarLine M20, B9
Модель авто: Impreza
Год выпуска: 2006
Двигатель: EJ20
Тип КПП: АКПП
Статус: пользователь

Re: Проблемы с активацией доп.канала на секретке

Сообщение Иван Поважнюк » Ср 25 янв, 2012 15:10

Все правильно. Но вы писали что у вас управление на зажигании. А у самих на питании насоса нарисовано. :)
По этому диод на 85. А 85 на зажигание а не цепь питания насоса.
Федеральная служба поддержки StarLine
8-800-333-80-30 Россия
8-10-8000-333-80-30 Белоруссия,
8-800-070-80-30 Казахстан
0-800-502-308 Украина
Круглосуточно. Звонок бесплатный.

Все подключения необходимо проверять, так как могут быть отличия и т.д.
Аватара пользователя
Иван Поважнюк
инженер ФСП StarLine
 
Сообщения: 20107
Зарегистрирован: Вс 15 фев, 2009 19:15
Откуда: Красноярск
Система: StarLine D94 GSM\GPS Slave
Модель авто: Suzuki Grand Vitara
Год выпуска: 2011
Двигатель: бензин
Тип КПП: AKПП
Статус: установщик

Re: Проблемы с активацией доп.канала на секретке

Сообщение SkyLine777 » Ср 25 янв, 2012 19:02

При включении зажигания на бензонасос ведь подается питание? Зачем отдельный кабель на него тащить и в чем разница? Или есть нюансы?
Про диод не понял, он верно ведь стоит, менять нужно только питающий провод?
SkyLine777
 
Сообщения: 14
Зарегистрирован: Ср 26 янв, 2011 7:56
Откуда: Иркутск
Система: StarLine M20, B9
Модель авто: Impreza
Год выпуска: 2006
Двигатель: EJ20
Тип КПП: АКПП
Статус: пользователь

Re: Проблемы с активацией доп.канала на секретке

Сообщение Иван Поважнюк » Ср 25 янв, 2012 19:10

Просто там не зажигание. Я по этому и уточнял. Куда у вас подключено управление реле.
Вложения
блока.jpg
блока.jpg (53.19 КБ) Просмотров: 12326
Федеральная служба поддержки StarLine
8-800-333-80-30 Россия
8-10-8000-333-80-30 Белоруссия,
8-800-070-80-30 Казахстан
0-800-502-308 Украина
Круглосуточно. Звонок бесплатный.

Все подключения необходимо проверять, так как могут быть отличия и т.д.
Аватара пользователя
Иван Поважнюк
инженер ФСП StarLine
 
Сообщения: 20107
Зарегистрирован: Вс 15 фев, 2009 19:15
Откуда: Красноярск
Система: StarLine D94 GSM\GPS Slave
Модель авто: Suzuki Grand Vitara
Год выпуска: 2011
Двигатель: бензин
Тип КПП: AKПП
Статус: установщик


Вернуться в StarLine M20 (Messenger)

Кто сейчас на конференции

Сейчас этот форум просматривают: нет зарегистрированных пользователей и гости: 2

cron