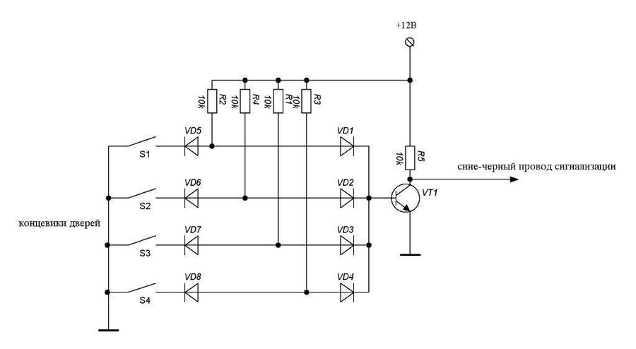
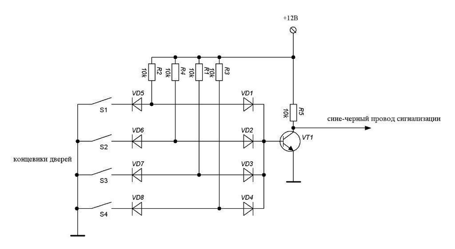
Я предпочитаю такую схему:

- концевики.jpg (58.54 КБ) Просмотров: 6459
Можно дополнительно поставить резистор в цепь БЭ, но у меня всегда нормально работало и без него. Можно без транзистора и уменьшить сопротивления примерно до 3кОм, но лично мне такая схема не нравится.
Руководитель федеральной службы поддержки StarLine
8-800-333-80-30 Россия
8-10-8000-333-80-30 Белоруссия
8-800-070-80-30 Казахстан
0-800-502-308 Украина
звонок бесплатный
Сервисные центры StarLine