Привет.
Столкнулся с проблемой, что допоборудование, а именно сигналка и бортовой компьютер, не видят сигнал с тахометра. Машина - дизельный Паджеро Спорт с механическим ТНВД.
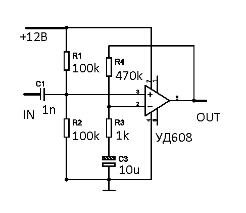
Отсюда - на сигналке не работает контроль по таходатчику автозапуска, на БК - не показывает значение оборотов двигателя. Промерил напряжение и частоту сигнала на тахо. Оказалось, что напряжение на тахо порядка 1,1В/300Гц при 1000 об/мин и увеличивается на 0,1/90Гц на каждые 250 об/мин. Предполагаю, что это напряжение просто не определяется допоборудованием как сигнал, потому и не видит оно его. Решил собрать усилитель для сигнала, чтобы на выходе примерно 5В получалсь. Прикинул схему.
Прошу посмотреть и выдать вердикт, будет или нет работать как я предполагаю?
Инверсия же сигнала - не имеет значение, т.к. считается кол-во импульсов, а не их полярность или потенциал.
Прилеплю еще одну схемку: на полевике данная схема не помешает работе штатного тахометра, т.к. развязка многоомная. На биполярном - думаю помешает.
П.С. Небольшая поправка к схеме - питающее напряжение будет не 12, а 13,8-14,4 В, т.к. питание от бортсети, а не от аккума авто

