Страница 1 из 1
StarLine B9 Автозапуск и вентилятор радиатора

Добавлено:
Вт 27 апр, 2010 15:44
Sempai
Добрый день!
Появился вопрос связанный с подключение синего провода сигнализации 6-ти контактного разъема для вентилятора охлаждения радиатора.
Суть вопроса и параметры таковы:
На замке зажигания стоит колодка с 6 клеммами
1 на стартер
2 на систему зажигания
3 на вспомогательное оборудование (в том числе на обслуживание вентилятора охлаждения)
Предохранители на все выходы стоят на 30 А
Схема подключения цепи как рекомендует производитель сигнализации
Сколько может выдержать синий провод идущий от сигнализации на сколько расчитан канал управления этим синим проводом?
Можно ли его напрямую подключить без реле на 3 канал? (на котором также сидит вентилятор печки, обогрев заднего стекла и много других потребителей)
Автомобиль Шевроле Ланос.
Заранее спасибо!
Re: Автозапуск и вентилятор радиатора

Добавлено:
Вт 27 апр, 2010 15:59
Ivanich1202
Добрый день!
Скажите, пожалуйста, какая у вас сигнализация?
Re: Автозапуск и вентилятор радиатора

Добавлено:
Вт 27 апр, 2010 16:01
Sempai
не уточнил в начале сигнализация StarLine B9
Re: Автозапуск и вентилятор радиатора

Добавлено:
Вт 27 апр, 2010 16:05
Ivanich1202
На замке зажигания стоит колодка с 6 клеммами
1 на стартер
2 на систему зажигания
3 на вспомогательное оборудование (в том числе на обслуживание вентилятора охлаждения)
Вы имеете в виду замок зажигания автомобиля?
Сколько может выдержать синий провод идущий от сигнализации на сколько расчитан канал управления этим синим проводом?
Можно ли его напрямую подключить без реле на 3 канал? (на котором также сидит вентилятор печки, обогрев заднего стекла и много других потребителей)
Это провод от 18 контактного разъёма или 6 контактного.
Re: Автозапуск и вентилятор радиатора

Добавлено:
Вт 27 апр, 2010 16:08
Sempai
"На замке зажигания стоит колодка с 6 клеммами" - да замок зажигания автомобиля
Провод имеется в виду от 6-ти контактного разъема (может сейчас путаю)
Re: Автозапуск и вентилятор радиатора

Добавлено:
Вт 27 апр, 2010 16:13
Ivanich1202
Реле сигнализации держит 25А. Но суммарный ток по всем выходам не должен превышать 30 А.
Номер 3 на замке, это и есть АСС - подключ к зеленому.
Re: StarLine B9 Автозапуск и вентилятор радиатора

Добавлено:
Вт 27 апр, 2010 18:05
Sempai
Спасибо, с этим понятно.
Дело в том, что сейчас вентилятор радиатора не срабатывает при перегреве если завести машину по автозапуску.
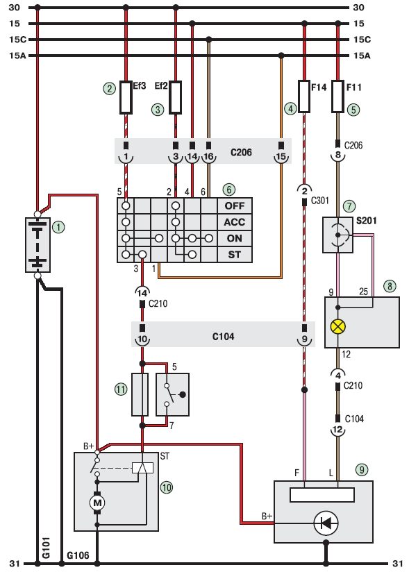
т.к выполнено подключение следующим образом на 6-ти контактах замка зажигания:
1 потребители и вентилятор радиатора (желтый) положение ключа ON впрос в нем, на него ли нужно сажать вентилятор радиатора?
2 контакт ввод силы на разъем 30А (чер/кр) от сигнализации (КР)
3 стартер (кр/бел) положение ключа ST от сигнализации (ЧЕР/ЖЕЛ)
4 на зажигание (кр) положение ключа ON и STот сигнализации (ЖЕЛ)
5 контакт ввод силы на разъем 30А (кр/бел)
6 на бензо насос и прикуриватель (кор) положение ключа ON и ACC от сигнализации ((ЗЕЛ) АСС)
Re: StarLine B9 Автозапуск и вентилятор радиатора

Добавлено:
Вт 27 апр, 2010 20:29
Ivanich1202
Для работы двигателя необходимы цепи 15 15А и стартер (контакты 4,1 и 3 на замке зажиг.)
Теперь слева цвет сигнализ справа номер на замке.
красный - 5
черно-желт(толст) - 3
зеленый - 1
желтый- доп реле соед 2 и 4 нормально разомкнутыми контактами.
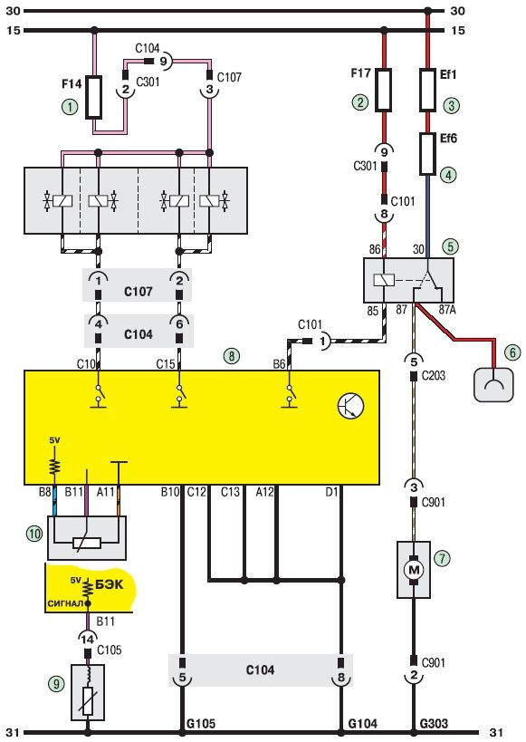
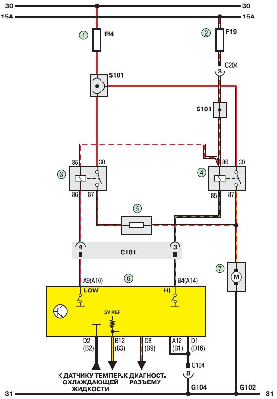
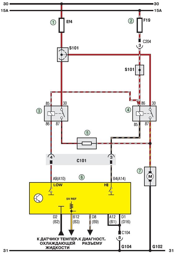
Схемы

- Управление бензонасосом
- бензонасос ланос.jpg (53.59 КБ) Просмотров: 11030

- Управление вентилятором
- ланос вент.jpg (43.73 КБ) Просмотров: 11030

- Замок зажигания
- замок ланос.jpg (56.54 КБ) Просмотров: 11030
Re: StarLine B9 Автозапуск и вентилятор радиатора

Добавлено:
Ср 28 апр, 2010 0:31
Sempai
Благодарю за развернутый ответ!
небольшое уточнение по поводу реле
желтый- доп реле соед 2 и 4 нормально разомкнутыми контактами.
желательно или обязательно из-за того, что на зажигание идет провод 30А ?
Re: StarLine B9 Автозапуск и вентилятор радиатора

Добавлено:
Ср 28 апр, 2010 10:36
Ivanich1202
Добрый день!
Такое подключение позволяет сохранить штатное распределение токов и не перегружать штатные предохранители.
Т. о. снимается "головная боль" из-за возможной перегрузки одной из питающих цепей.
Re: StarLine B9 Автозапуск и вентилятор радиатора

Добавлено:
Ср 28 апр, 2010 11:15
Sempai
Добрый день!
Еще раз спасибо за ответ!
Буду пробовать.
Re: StarLine B9 Автозапуск и вентилятор радиатора

Добавлено:
Ср 28 апр, 2010 11:38
Ivanich1202
Пожалуйста.
Удачи.
Да, совсем забыл, черно-желтый (тонкий) можно не использовать, чтобы разгрузить реле сигнализации.