andru6 » Пн 23 дек, 2013 12:41
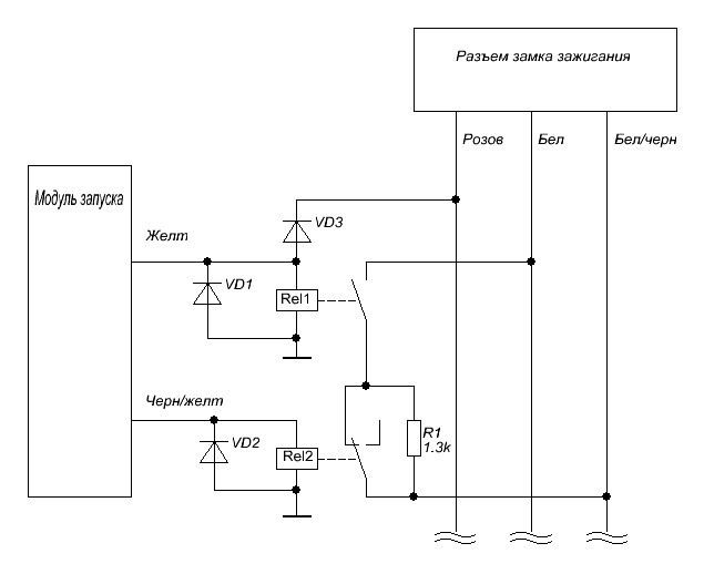
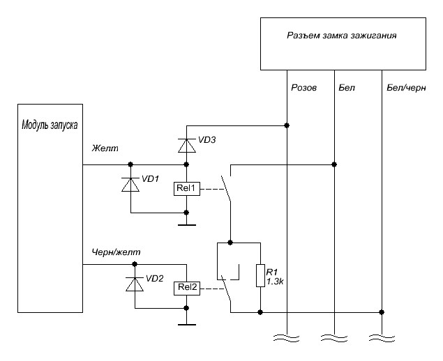
Автомобиль (2007 г.в.,бензин, АКПП, ключ) отказался заводиться от сигнализации при замыкании белого и бело-черного проводов, идущих к замку зажигания, через резистор 1,3 кОм. Помогло добавление еще одного реле.
- Вложения
-

- 1.JPG (29.89 КБ) Просмотров: 5854
Последний раз редактировалось
andru6 Чт 30 янв, 2014 13:21, всего редактировалось 1 раз.