Сейчас читаю мануал по установке А92 CAN,на станице 78 написано ,в таблице №3 программирование CAN интерфейсав пункт № 13 -2длиных,3 коротких,-отпереть багажник,как это реалезуется на брелке сигнализации?
спасибо!
спасибо!
романыч48 писал(а):Стр 93 по установке. 2 кнопку длинно,потом коротко 1.



Иван Поважнюк писал(а):Добрый день.
Не совсем понял вопроса если честно.

Иван Поважнюк писал(а):Доброй ночи.
Спасибо что напомнили.
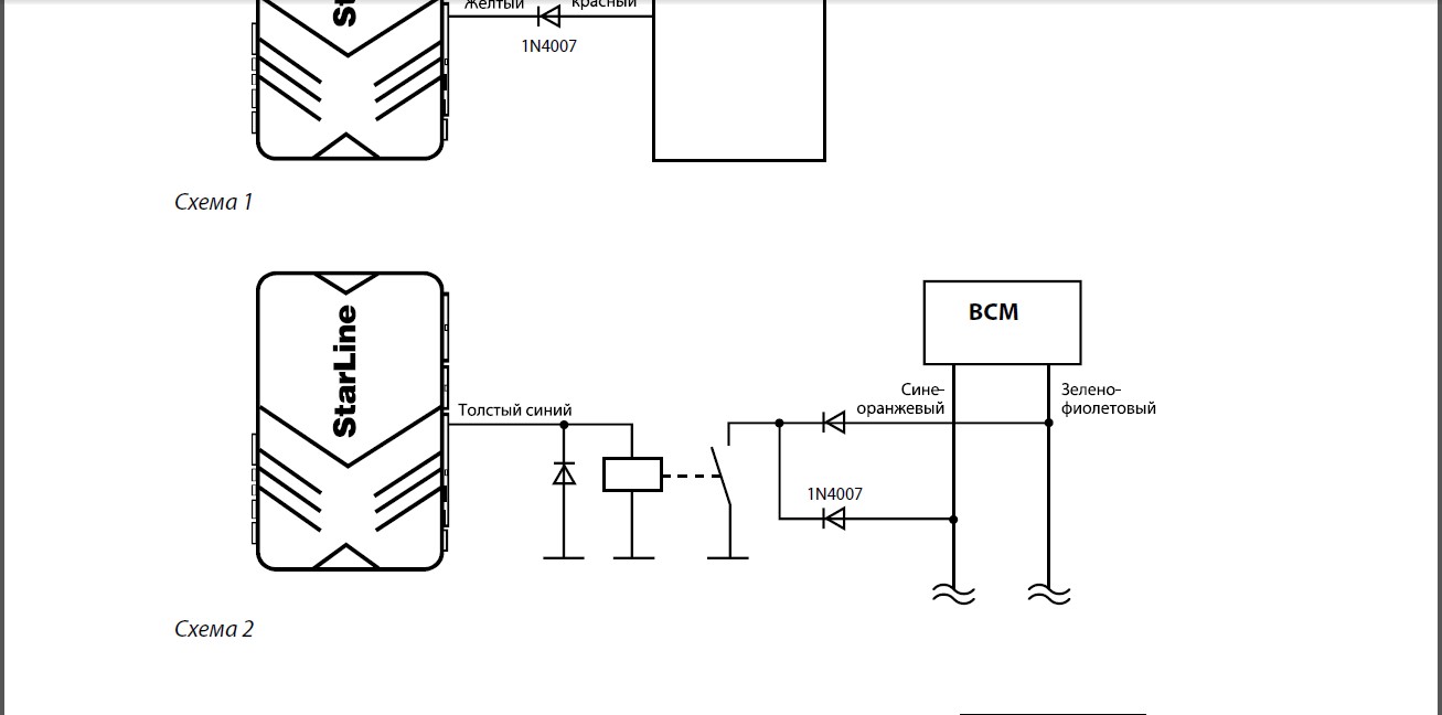
Посмотрел диаграммы. Вам нужно запрограммировать доп. канал на импульс одна секунда. событие 15.
И подключить его на кнопку.
Должно получиться.
Нужно проверить. Или полностью на доп каналах нужно.
ВладимирУр писал(а):avtoroman, я думаю зря вы заморачиваетесь, ведь для правильной работы автозапуска важно полностью иммитировать действия которые происходят при обычном запуске с кнопки, что собственно у вас и проделано. Другими словами, когда вы утром сядете в авто нажмете на сцепление и кнопку машина сразу заведется, и зачем вам включать ей сначала зажигание?
видел так у человека сделанно было на кнопке) вообще интереснно для чего нужно 2 импульса на №12-количество импульсов на кнопку старт-стоп?
так что лучше уточние у Ивана 
Вернуться в StarLine A62 и A92
Сейчас этот форум просматривают: нет зарегистрированных пользователей и гости: 7