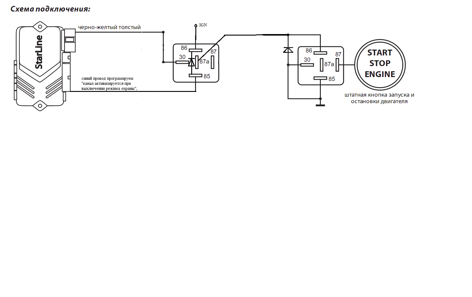
оранжево-фиолетовый провод был подключен к ручнику (но это совсем не удобно если на машине автомат) петля на разъеме Х3 не разрезана, пробовал подсоединить оранжево-фиолетовый провод к выключателю педали тормоза (туда же подсоединен синий запрограммированный на старт\стоп) но при таком подключении машина дистанционно заводится и сразу глохнет, срабатывает сирена и брелок пищит... нажимаю на вторую кнопку сирена выключается режим охраны остается включен запуск отменен
пока оранжево-фиолетовый провод подключен к ручнику машина запускается, на брелке отображается время работы, дым, но нет ключа зажигания.. снимаю с охраны, сажусь, снимаю ручник машина глохнет (тоже не удобно, заново запускать)не понимаю, судя по схеме подключено правильно, помогите разобраться пожалуйста!


