А как подключили желтый толстый провод шестиконтактного силового разъема? При монтаже на авто с кнопкой его надо подключать в точку схемы авто ОБЯЗАТЕЛЬНО через диод (анодом в схему авто, катодом к сигнализации, чтобы по желтому проводу происходил ТОЛЬКО КОНТРОЛЬ зажигания, но сигнализация НИЧЕГО не могла выдать по нему в схему авто) и бывает приходится сменить точку подключения этого желтого провода, в которой +12 появляется при включении зажигания (бывает, что после "засыпания" авто этот сигнал "теряется" при неудачном выборе точки подключения, бывает, что и красный толстый -питание - цепляют "не туда", но это не Ваш случай). Предлагаю начать с этого.chubaiskz писал(а):Всем доброго времени суток проблема такая Starline A91 dialog установил на хёндай элантра 2012г с кнопкой, после запуска двиг на брелок приходит звуковой сигнал что двиг завелся, но на дисплее надпись 18 40, через несколько сек появляются часы, или сначало 0о 40 потом часы, но иногда всетаки показывает успешный запуск вчём проблема может кто то сталкивался? подключал и к генератору и к форсунки.

chubaiskz писал(а):Старик, большое СПАСИБО поставил диод и все заработало![]()
![]()
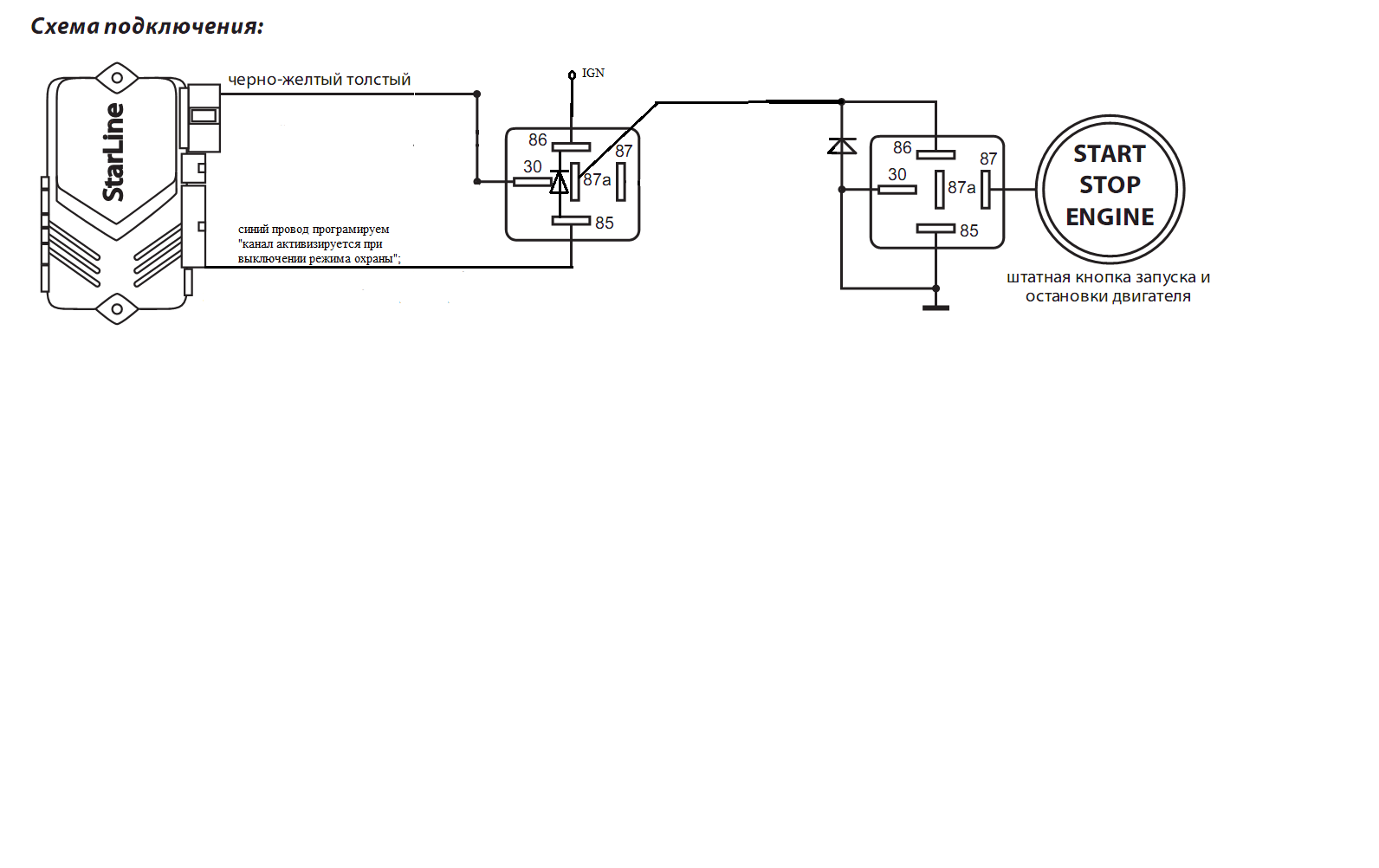
Учти на будущее (похоже это первое товое авто с кнопкой). И еще - есть схемка с переходом с дист/автозапуска на движение авто с водителем со снятием с охраны БЕЗ ГЛУШЕНИЯ мотора при передаче с сигнализации на штатное управление. Всего одно реле дополнительно и задействование 4 канала (синий провод 18контактного разъема). Ссылку с ходу указать не могу
, но суть в том, что это доп.реле управляется синим поводом, активируемым ПРИ СНЯТИИ С ОХРАНЫ, а своими контактами РВЕТ цепь черно-желтого толстого провода, управляющего кнопокой СТАРТ/СТОП. Дело в том, что если этого не сделать, то при попытке поехать на авто, заведенном авто/дистанцонным запуском ОНО (авто) ЗАГЛОХНЕТ - сигнализация при нажатии педали тормоза подаст импульс на черно-желтый толстый провод, а значит на кнопку старт/СТОП - заглушит АВТО. Избежать этого можно только разорвав цепь прохождения этого сигнала...
.
И на сайте ту самую схемку, что в свое время копирнул не нахожу. Неужели удалили?Вернуться в StarLine A61 и A91
Сейчас этот форум просматривают: нет зарегистрированных пользователей и гости: 8