 Иван Поважнюк » Пт 16 ноя, 2012 0:31
 Иван Поважнюк » Пт 16 ноя, 2012 0:31 
			
			Добрый вечер.
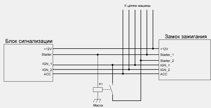
А это моя схемка.
Только в идеале диод на реле заменить.
Диод на 6А.
			
				
					- Вложения
- 
		
			 
- стартер.jpg (61.19 КБ) Просмотров: 5476
 
Федеральная служба поддержки StarLine
8-800-333-80-30 Россия
8-10-8000-333-80-30 Белоруссия,
8-800-070-80-30 Казахстан
0-800-502-308 Украина
Круглосуточно. Звонок бесплатный.
Все подключения необходимо проверять, так как могут быть отличия и т.д.