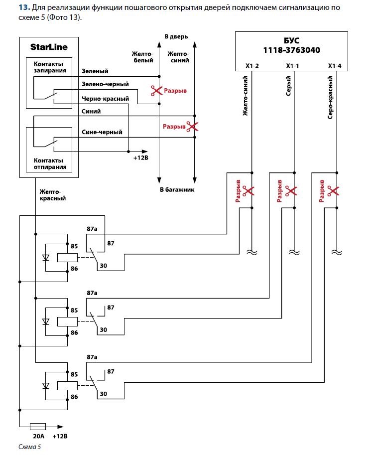
у меня калина люкс, устанавливал сигналюгу сам. сделал автозапуск, запуск по температуре, открытие водительской двери и закрытие всех дверей. сейчас решил сделать пошаговое открытие дверей. как в мурзилке написано купил 5 контактное реле. и начал подключать. подключил по этой схеме подсоединился только к 1 проводу , т.к. стеклоподъёмники и прочее не нужно. в итоге она закрывается, но при пошаговом открытии дверей она опускает стёкла правой стороны! и при повороте замка зажигания в выкл она снова опускает стёкла правой стороны! но пошагово заработала
з.ы. уже и так перестала работать. реле менял, каналы тоже менял... куда мне рыть то? хочется доделать её открытие/закрытие уже и всё

