УльтраСтар - Автомобильные Системы Охраны, Системы Безопасности

M31 + Бинар 5

M31 + Бинар 5

Сообщение wintik » Сб 12 окт, 2013 10:35

Всем привет. На машине установлен Бинар 5, хочу поставить M31. Сигнализации Starline на машине нет. M31 будет работать автономно. Есть много схем как подключить Webasto и ещё один автономный подогреватель(не помню название), а вот схемы подключения Бинар 5 я не нашёл. На Бинар 5 есть выход подключения к сигналке. Буду признателен.
wintik
 
Сообщения: 5
Зарегистрирован: Пн 24 авг, 2009 19:08

Re: M31 + Бинар 5

Сообщение sonel » Сб 12 окт, 2013 11:11

я бы лучше порекомендовал использовать м17 маяк для запуска бинара, сам так использую на одной из машин. Там есть управляемый выход и вход + полноценный маяк. М31 как маяк не работает, а как сервис для сигналки вы не будете использовать. М17 подключаеться просто через реле, вам надо на бинаре замыкать два провода на 2 сек.
sonel
 
Сообщения: 7
Зарегистрирован: Вт 08 окт, 2013 11:55
Откуда: Красноярск
Система: а91+м31
Модель авто: Toyota starlet
Год выпуска: 1992
Двигатель: бензин
Тип КПП: акпп
Статус: пользователь

Re: M31 + Бинар 5

Сообщение wintik » Сб 12 окт, 2013 11:38

Мне схема нужна как подключить именно M31, возможно уже скоро я поставлю a91 в довесок, но когда не знаю.
wintik
 
Сообщения: 5
Зарегистрирован: Пн 24 авг, 2009 19:08

Re: M31 + Бинар 5

Сообщение sc2000 » Сб 12 окт, 2013 12:20

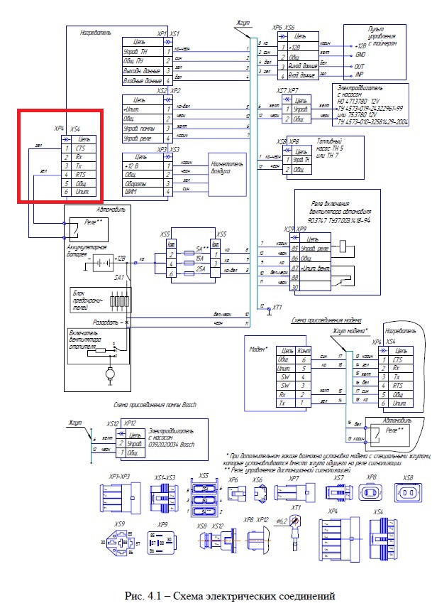
Описание и схема Бинара 5.
Вложения
схема.jpg
схема.jpg (168.83 КБ) Просмотров: 4751
сига.jpg
сига.jpg (221.71 КБ) Просмотров: 4751
Аватара пользователя
sc2000
 
Сообщения: 795
Зарегистрирован: Чт 25 дек, 2008 22:17
Откуда: ЯНАО Новый Уренгой
Система: D94 GSM
Модель авто: Honda Jazz Sport
Год выпуска: 2008
Двигатель: бензин
Тип КПП: АКПП (CVT)
Статус: установщик


Вернуться в StarLine M31

Кто сейчас на конференции

Сейчас этот форум просматривают: нет зарегистрированных пользователей и гости: 2