УльтраСтар - Автомобильные Системы Охраны, Системы Безопасности

Турботаймер vs PTS (кнопка)

Re: Турботаймер vs PTS (кнопка)

Сообщение ANTARES » Пт 10 май, 2013 7:48

Иван Поважнюк писал(а):ps. Сине\красному массы хватило? Или подтяжку к минусу делали.


Иван, тут так... для запуска - хватило, красно-синий вход (ручник) не капризничал, пока машина стояла в покое, а вот при включении зажигания на запуске- как-то не стабильно...
Поэтому экспериментировать не стали (тем более это для Турботаймера нужно было), люди с соседнего города приехали... Сделали "подтяжку" через реле по пропаданию "+" в режиме "Р"
Истина познается в сравнении
ANTARES
 
Сообщения: 72
Зарегистрирован: Чт 27 ноя, 2008 18:17
Откуда: Петропавловск- Камчатский
Система: Какая попадется
Модель авто: Постоянно меняю
Год выпуска: 2006
Двигатель: Только Бензиновый
Тип КПП: АКПП
Статус: установщик

Re: Турботаймер vs PTS (кнопка)

Сообщение chuvak » Сб 11 май, 2013 6:37

Зачетная инфа! :good:
chuvak
 
Сообщения: 39
Зарегистрирован: Вт 16 мар, 2010 12:36
Откуда: Иркутская обл. г.Саянск http://autosayansk.ru/
Система: starline A94
Модель авто: Daewoo Winstorm
Год выпуска: 2008
Двигатель: дизельный
Тип КПП: автомат
Статус: установщик

Re: Турботаймер vs PTS (кнопка)

Сообщение ANTARES » Вс 12 май, 2013 17:52

Вообще какие машины бывают с КНОПКОЙ и Турбиной?
Prado
Forester
Juke

дополняйте!
Истина познается в сравнении
ANTARES
 
Сообщения: 72
Зарегистрирован: Чт 27 ноя, 2008 18:17
Откуда: Петропавловск- Камчатский
Система: Какая попадется
Модель авто: Постоянно меняю
Год выпуска: 2006
Двигатель: Только Бензиновый
Тип КПП: АКПП
Статус: установщик

Re: Турботаймер vs PTS (кнопка)

Сообщение ANTARES » Пн 17 июн, 2013 5:54

Toyota Prado 150 PTS Turbo Disel
реализация турботаймера!
1) Вариант предложил Иван, простой перехват и поддрежка зажигания. Провод Зажигания который поддерживает работу двигателя -нашел, НО! Загорается пол панели лампочек, Сигналка по КАНу после включения поддержки (выключения зажигания 1) не видит ключа зажигания и заведенного двигателя, поэтому сразу после подхвата бросает его секунды через 2. Даже сделав по генератору и зажиганию в АНАЛОГЕ, все заработало, но при выключении Турботаймера сигналка посылала импульс на кнопку, что включало АСС. В общем надо либо с КАНом полностью дублировать силовую работу (IGN 1, IGN 2, ACC), и программировать обходчик только 30 сек для запуска... Цепи силовые:
Вложения
Ign Prado 150 PTS.jpg
Ign Prado 150 PTS.jpg (176.26 КБ) Просмотров: 7019
Истина познается в сравнении
ANTARES
 
Сообщения: 72
Зарегистрирован: Чт 27 ноя, 2008 18:17
Откуда: Петропавловск- Камчатский
Система: Какая попадется
Модель авто: Постоянно меняю
Год выпуска: 2006
Двигатель: Только Бензиновый
Тип КПП: АКПП
Статус: установщик

Re: Турботаймер vs PTS (кнопка)

Сообщение ANTARES » Пн 17 июн, 2013 6:13

Либо, по другому

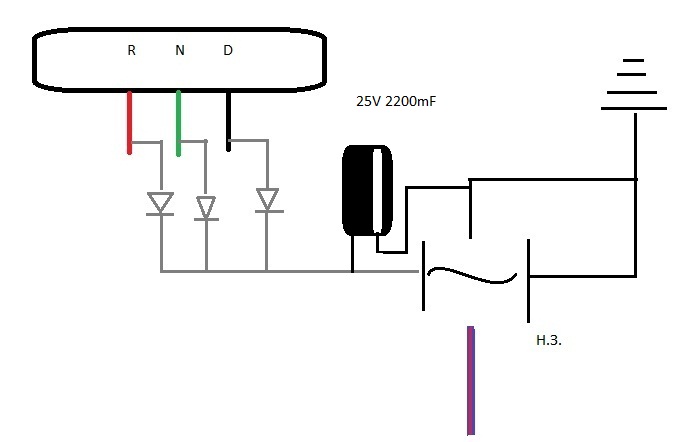
2) по второму варианту я делал, так как на момент установки (4 утра) лень было уже экспериментировать и проверять:
Второй вариант, Турботаймер активируется по включению стояночного тормоза... вместо коего используем АКПП и "Р", получается имитация того, что в любом состоянии кроме "R", "N", "D" Ручник типа затянут, а при скоростях (на заведенном авто) - опущен, при включении "Р" - типа затянули ручник, включился турботаймер. Сигналы брали с АКПП (лампочки на самой коробке)по следующей схеме:
Вложения
Turbo AT PTS 150.jpg
Turbo AT PTS 150.jpg (24.5 КБ) Просмотров: 7017
Истина познается в сравнении
ANTARES
 
Сообщения: 72
Зарегистрирован: Чт 27 ноя, 2008 18:17
Откуда: Петропавловск- Камчатский
Система: Какая попадется
Модель авто: Постоянно меняю
Год выпуска: 2006
Двигатель: Только Бензиновый
Тип КПП: АКПП
Статус: установщик

Re: Турботаймер vs PTS (кнопка)

Сообщение Foul » Пн 08 июл, 2013 10:04

У меня сейчас субару импреза с правым рулем МКПП, кнопка старт стоп, турбо 2010, поделитесь информацией пожалуйста, автозапуск скореевсего не сможем реализовать, нет болванки, но турботаймер нужен. С ситемой еще не определились, возможно со Slave
Foul
 
Сообщения: 4
Зарегистрирован: Вс 11 ноя, 2012 7:35
Откуда: Улан-Удэ
Система: Starline E90+GSM+GPS
Модель авто: Mitsubishi Lancer IX 2.0
Год выпуска: 2004
Двигатель: Бензиновый
Тип КПП: МКПП
Статус: установщик, автосалон

Пред.

Вернуться в Для общения установщиков

Кто сейчас на конференции

Сейчас этот форум просматривают: нет зарегистрированных пользователей и гости: 3