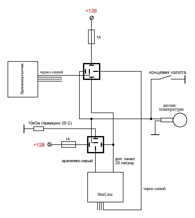
Размещаю схему в связи с повышенным спросом.
Принцип действия: сначала включить один из доп. каналов, затем проверить температуру с помощью иконки check. Доп. канал подключит датчик температуры двигателя на некоторое время.
Резистор 10 кОм (примерно 20 градусов) для того, чтобы не отключался запуск по температуре при включении доп. канала.
			
				
 
                                                

