 andru6 » Пн 23 дек, 2013 12:41
 andru6 » Пн 23 дек, 2013 12:41 
			
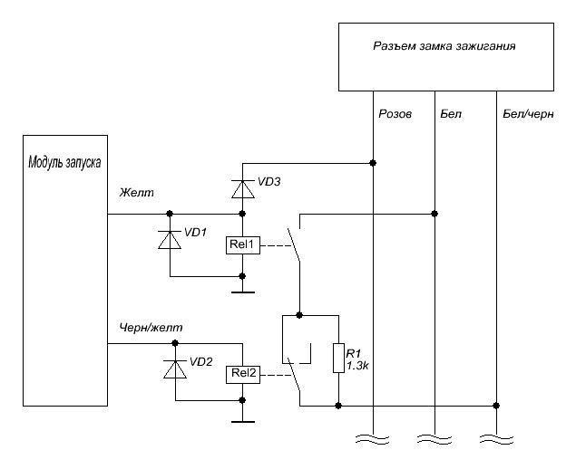
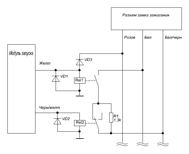
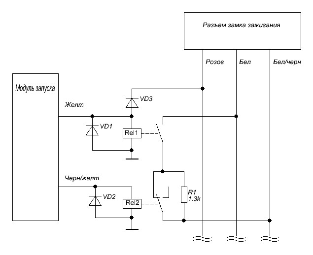
			Автомобиль (2007 г.в.,бензин, АКПП, ключ) отказался заводиться от сигнализации  при замыкании белого и бело-черного проводов, идущих к замку зажигания, через резистор 1,3 кОм. Помогло добавление еще одного реле.
			
				
					- Вложения
- 
		
			 
- 1.JPG (29.89 КБ) Просмотров: 5432
 
Последний раз редактировалось 
andru6 Чт 30 янв, 2014 13:21, всего редактировалось 1 раз.